Magna Concursos
2487187 Ano: 2014
Disciplina: Física
Banca: Marinha
Orgão: Marinha

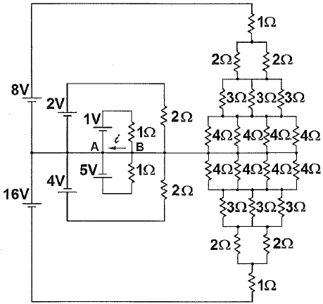
Observe o circuito elétrico abaixo.

Enunciado 2852761-1

A intensidade da corrente elétrica i, que flui do nó B para o nó A, em Amperes, vale:

 

Provas

Questão presente nas seguintes provas