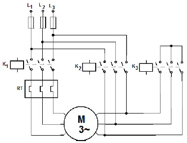
Um dos instantes críticos no acionamento de motores elétricos é a partida. Neste momento, os motores solicitam uma corrente muito maior do que a verificada no regime contínuo, podendo chegar a oito vezes o valor nominal. O diagrama abaixo representa uma solução para reduzir o efeito relatado.

Em relação à chave de partida, que utiliza o diagrama mostrado, verificamos que, na partida, a corrente é da nominal, a tensão aplicada nos enrolamentos é da tensão nominal e o conjugado eletromagnético desenvolvido é de do conjugado nominal.
A opção que completa as lacunas CORRETAMENTE é