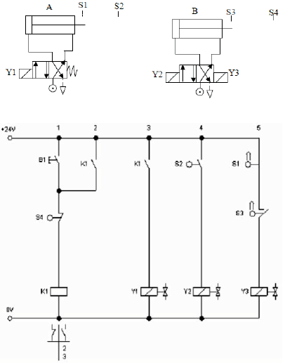
As figuras a seguir representam um sistema eletropneumático e a sua solução de comando eletropneumático.

A expressão que corresponde ao diagrama trajeto -passo para o sistema representado acima é:
Provas
Questão presente nas seguintes provas
Técnico - Mecatrônica e Automação Industrial
40 Questões