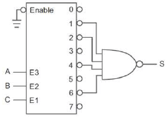
Observe a figura a seguir.

A figura ilustra um decodificador com três entradas e oito saídas, sendo que o sinal de entrada E3 representa o bit mais significativo. De acordo com o circuito digital implementado, o mapa de Karnaugh, referente ao sinal lógico S, é:
Provas
Questão presente nas seguintes provas
Técnico de Laboratório - Controle e Automação
40 Questões