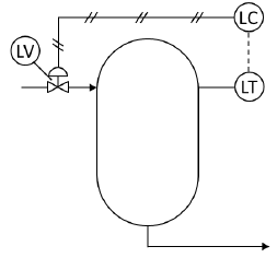
Dado o sistema de controle representado no diagrama abaixo:

Analise as proposições sobre esse sistema de controle:
I – A variável de processo controlada é o nível de líquido no tanque.
II – O sistema de controle é do tipo antecipatório.
III – O termopar é comumente utilizado como medidor de nível.
IV – A comunicação entre o instrumento de medição e o controlador é feita por sinal elétrico.
Assinale a alternativa CORRETA:
Provas
Questão presente nas seguintes provas