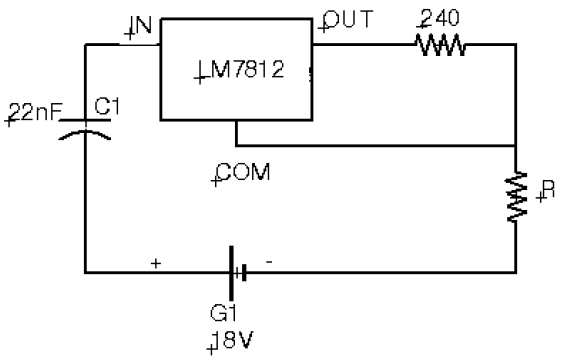
Analise o circuito a seguir. Considerando que a saída do terminal comum do regulador forneça uma corrente constante de 5 mA, qual o valor da corrente em R? Admita que o valor da outra resistência seja dado em Ω.

Analise o circuito a seguir. Considerando que a saída do terminal comum do regulador forneça uma corrente constante de 5 mA, qual o valor da corrente em R? Admita que o valor da outra resistência seja dado em Ω.
