Magna Concursos
2197790 Ano: 2021
Disciplina: Engenharia Eletrônica
Banca: DIRENS Aeronáutica
Orgão: EEAr
Provas:

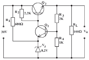
Para o circuito abaixo, calcule a tensão de saída (VO) e indique a alternativa correta. Dado: VBE=0,7V.

Enunciado 2831478-1

 

Provas

Questão presente nas seguintes provas

EAGS - Eletrônica

100 Questões