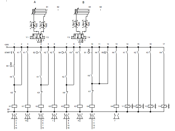
O circuito a seguir é empregado em um equipamento para dobragem de metais.

Com relação ao circuito apresentado, marque a sequência algébrica correta em relação aos movimentos dos cilindros A e B.
O circuito a seguir é empregado em um equipamento para dobragem de metais.

Com relação ao circuito apresentado, marque a sequência algébrica correta em relação aos movimentos dos cilindros A e B.