Magna Concursos
2385536 Ano: 2009
Disciplina: Engenharia Mecânica
Banca: UFSCAR
Orgão: UFSCAR
Provas:

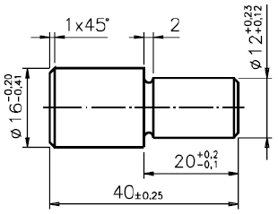
Na Figura abaixo as medidas estão representadas em [mm].

Assinale a resposta correta.

Enunciado 2950324-1

 

Provas

Questão presente nas seguintes provas

Engenheiro Mecânico

60 Questões