Magna Concursos
3235471 Ano: 2014
Disciplina: Engenharia Elétrica
Banca: UFPR
Orgão: Itaipu

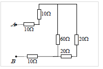
Assinale a alternativa que apresenta a resistência equivalente, vista entre os terminais A e B do circuito elétrico ao lado.

Enunciado 3576514-1

 

Provas

Questão presente nas seguintes provas

Técnico - Operação de Usina

50 Questões