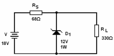
No circuito da figura, o diodo zener mantém uma tensão fixa sobre a carga RL de !$ 330 \Omega !$.

Em relação ao circuito é incorreto afirmar que
No circuito da figura, o diodo zener mantém uma tensão fixa sobre a carga RL de !$ 330 \Omega !$.

Em relação ao circuito é incorreto afirmar que