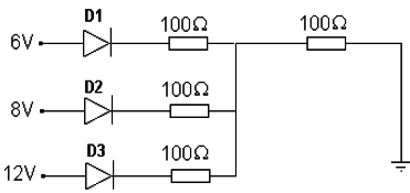
No circuito abaixo, determine quais os diodos estão diretamente polarizados. Considere os diodos ideais, ou seja, queda de tensão direta igual a zero e resistência inversa infinita.

No circuito abaixo, determine quais os diodos estão diretamente polarizados. Considere os diodos ideais, ou seja, queda de tensão direta igual a zero e resistência inversa infinita.
