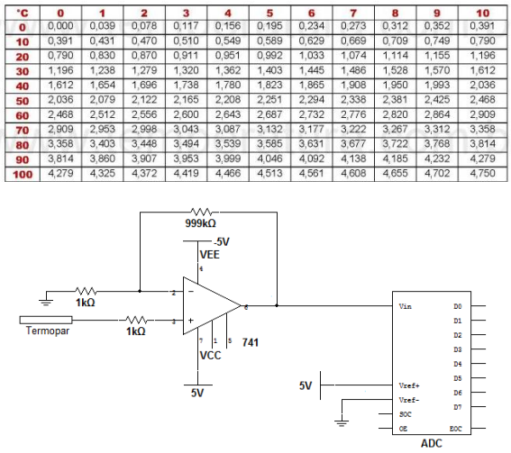
O circuito com AMPOP abaixo faz o condicionamento do sinal de um termopar. Com base na tabela de tensão em mV do termopar e no fato de que o circuito do amplificador está com o offset ajustado, determine o valor da temperatura percebida pelo termopar, sabendo que o conversor ADC encontrou nas saídas de D7 a D0 o valor de 00110011b.
