- Instalações ElétricasEquipamentos em Média Tensão
- Sistemas Elétricos de PotênciaDistribuição de Energia Elétrica

Considerando os símbolos apresentados anteriormente, julgue o item a seguir.
O dispositivo B pode atuar por efeito térmico.

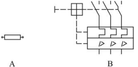
Considerando os símbolos apresentados anteriormente, julgue o item a seguir.
O dispositivo B pode atuar por efeito térmico.