Magna Concursos
88902 Ano: 2006
Disciplina: TI - Organização e Arquitetura dos Computadores
Banca: CESPE / CEBRASPE
Orgão: INPI
Provas:

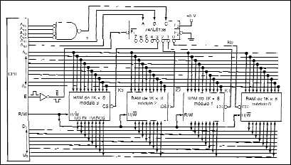
Enunciado 3575753-1

R. J. Tocci e N. S. Widmer: Sistemas digitais: Princípios e Aplicações. 8.ª Edição. Person Education do Brasil.

O circuito acima apresenta um exemplo de interfaceamento entre um microprocessador e circuitos integrados de memória RAM. Nesse circuito, a faixa de endereços abrangida pelo módulo 2 de memória vai de

 

Provas

Questão presente nas seguintes provas

Pesquisador do INPI - AP11

50 Questões