
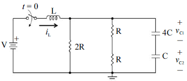
Considere que o circuito ilustrado na figura acima seja mantido com a chave aberta por um tempo suficientemente grande e que, no instante t = 0, a chave seja subitamente fechada, de tal forma que a bateria de tensão igual a V seja conectada ao indutor emassociação com os resistores e capacitores. Acerca dessas informações e considerando, ainda, a situação do circuito em regime permanente, julgue o item a seguir.
As tensões sobre os capacitores 4C e C são dadas, respectivamente, por vC1 = \( \dfrac{V}{5} \) e vC2 = \( \dfrac{4V}{5} \).
Provas
Questão presente nas seguintes provas