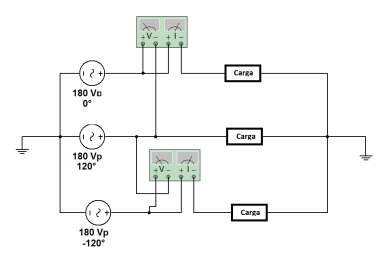
Em um sistema trifásico equilibrado, foram conectadas três cargas resistivas iguais em cada uma das fases. O sistema permaneceu ligado ao longo do dia por 24 horas, durante 30 dias. Um medidor de energia registrou um consumo de 21.6 KWh. Determine a leitura da potência dos wattímetros.
