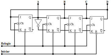
Considere que, no circuito representado na figura abaixo, seja inicialmente armazenado o estado 1010 (ABCD).

Após 4 pulsos de relógio, o dado armazenado será mostrado como
Considere que, no circuito representado na figura abaixo, seja inicialmente armazenado o estado 1010 (ABCD).

Após 4 pulsos de relógio, o dado armazenado será mostrado como