Considere que os amplificadores operacionais representados na Figura abaixo sejam todos ideais.

A expressão que representa o valor de Vo é igual a
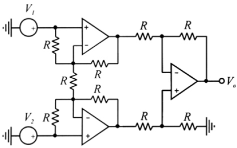
Considere que os amplificadores operacionais representados na Figura abaixo sejam todos ideais.

A expressão que representa o valor de Vo é igual a