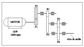
A figura a seguir mostra um sistema de transmissão composto de motor, transmissões por correia e por engrenagens. As polias P1 e P2 possuem diâmetros de 70mm e 140mm, respectivamente. A engrenagem E1 possui 15 dentes e a engrenagem E2 possui 45 dentes. A engrenagem E4 possui um número de dentes igual ao dobro do número de dentes da engrenagem E3. As perdas na transmissão por correia, engrenagens e mancais conferem ao sistema um rendimento total de 80%. Sabendo que o motor que aciona a transmissão é de 1kW e gira a 1800 rpm, o torque no eixo de saída é:

Provas
Questão presente nas seguintes provas