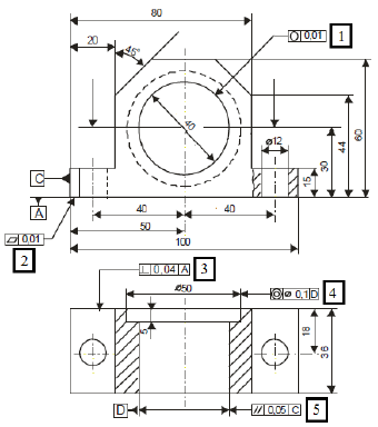
Dentre as alternativas, assinale a que contém o significado e as respectivas tolerâncias geométricas indicadas no desenho técnico a seguir.

Dentre as alternativas, assinale a que contém o significado e as respectivas tolerâncias geométricas indicadas no desenho técnico a seguir.
