Magna Concursos
3493214 Ano: 2016
Disciplina: Geografia
Banca: Marinha
Orgão: Marinha

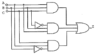
Analise a figura a seguir.

Enunciado 4141340-1

Determine a expressão simplificada da saída ( Z) do circuito lógico da figura acima e assinale a opção correta.

 

Provas

Questão presente nas seguintes provas

Corpo da Armada - Eletrônica

50 Questões