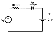
Determine a máxima corrente, em mA, no diodo do circuito abaixo para uma fonte Vs senoidal com tensão de pico a pico de 48 V.

Assinale a opção correta.
Provas
Questão presente nas seguintes provas
Determine a máxima corrente, em mA, no diodo do circuito abaixo para uma fonte Vs senoidal com tensão de pico a pico de 48 V.

Assinale a opção correta.