747255
Ano: 2019
Disciplina: Comunicação Social
Banca: FCC
Orgão: Pref. São José Rio Preto-SP
Disciplina: Comunicação Social
Banca: FCC
Orgão: Pref. São José Rio Preto-SP
Provas:
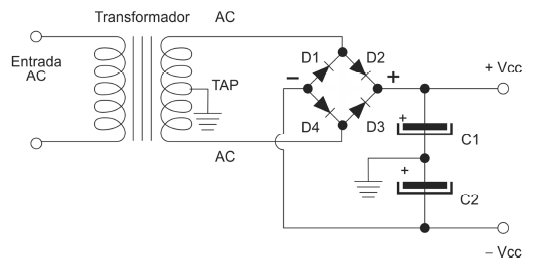
Considere o circuito:

Trata-se de