Magna Concursos
2462054 Ano: 2013
Disciplina: Engenharia Mecânica
Banca: UFGD
Orgão: UFGD

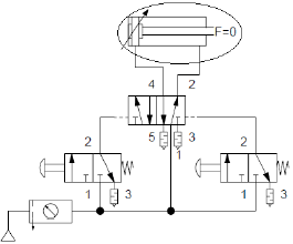
No esquema a seguir, o equipamento circulado representa:

Enunciado 2952127-1

 

Provas

Questão presente nas seguintes provas