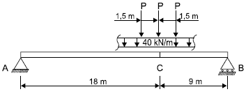
De acordo com a figura, para o projeto de uma ponte com 27 m de vão considerou-se uma carga móvel composta por 3 cargas concentradas iguais de P = 200 kN e uma carga permanente uniformemente distribuída de 40 kN/m.

O momento fletor no ponto C, em kNm, é: