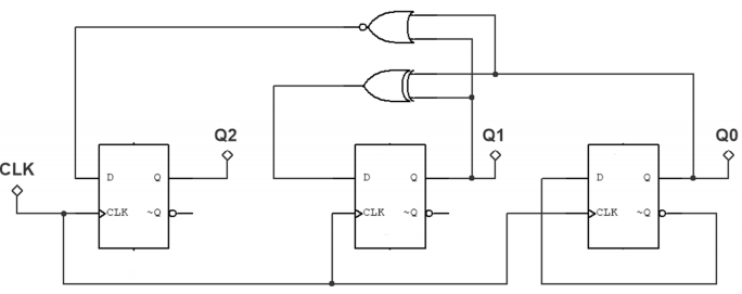
Sabendo que no circuito lógico sequencial a seguir, a saída Q2 corresponde a saída mais significativa, a entrada CLK é excitada por uma onda quadrada e os flip-flops utilizados são do tipo D. Qual a sequência de contagem realizada, tendo início em 0.

Provas
Questão presente nas seguintes provas