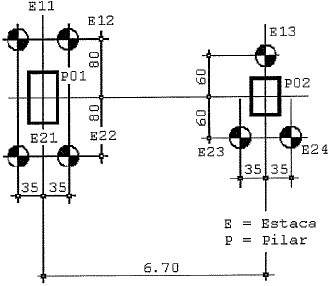
Observe a figura:

Em relação aos tipos de projetos necessários à uma construção, é correto afirmar que o desenho acima representa uma planta
Provas
Questão presente nas seguintes provas
Observe a figura:

Em relação aos tipos de projetos necessários à uma construção, é correto afirmar que o desenho acima representa uma planta