Magna Concursos
2538810 Ano: 2016
Disciplina: Engenharia Elétrica
Banca: CESPE / CEBRASPE
Orgão: TCE-PA
Enunciado 3546345-1
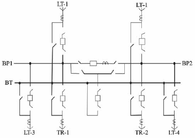
Sergio O. Frontin. Equipamentos de alta tensão: prospecção e
hierarquização de inovações tecnológicas. 1.ª ed. Brasília: Goya Ed. Ltda., 2013, p. 87.
A figura apresentada ilustra o diagrama unifilar do esquema de arranjo de uma subestação caracterizada como uma configuração em barra principal seccionada e barra de transferência. Considerando essas informações e a figura, julgue o item subsequente.
No diagrama apresentado não há simbologia indicativa dos locais na subestação onde são conectados os transformadores de potencial, necessários, por exemplo, para alimentar relés de proteção.
 

Provas

Questão presente nas seguintes provas