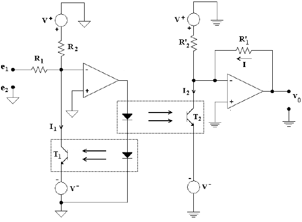
Os amplificadores de instrumentação não suportam uma tensão de modo comum superior à sua tensão de polarização. Nas aplicações em que isto ocorre, faz-se necessário o isolamento entre a fonte do sinal a ser medido e o sistema de medição. Um dos tipos de isolamento utilizado é feito por acoplamento óptico, implementado por meio de um LED e um fototransistor. Para compensar a não linearidade do acoplador óptico, é introduzida uma malha de realimentação com um acoplador de referência, como mostrado na figura abaixo.

A corrente no fototransistor T1 é dada por \( I_1 = { \Large { V^+ \over R_2}} + { \Large { e_1 - e_2 \over R_1}} \)
considerando que os dois acopladores são iguais, então \( I_1 = I_2 \)
Supondo que \( R_1 = 10 K \Omega, R_1 = 120 K \Omega,\,\,R_2 = 10 K \Omega \) e que \( e_1 - e_2 = 10mV \), então o valor da tensão de saída (Vo) será