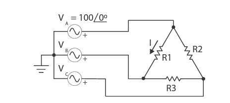
Um sistema trifásico equilibrado com sequência de fase “abc” possui o fasor da tensão VA mostrado na figura. As resistências são iguais e com valor de 10 Ω.

Assinale a alternativa do fasor correto da corrente na resistência R1, conforme indicada na figura.