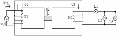
O núcleo do circuito magnético abaixo é constituído de material ferromagnético. A parte em destaque no circuito magnético (em cinza) é também do mesmo material ferromagnético, porém ela é móvel, ou seja, pode ser retirada do circuito.
Dado:
N1: número de espiras da bobina 1.
N2: número de espiras da bobina 2.
L1, L2, L3: lâmpadas.
v(t): fonte de tensão alternada.
i(t): corrente fornecida por v(t).
!$ \theta1 !$, !$ \theta2 !$, !$ \theta3 !$: fluxo magnético no núcleo ferromagnético.
N2: número de espiras da bobina 2.
L1, L2, L3: lâmpadas.
v(t): fonte de tensão alternada.
i(t): corrente fornecida por v(t).
!$ \theta1 !$, !$ \theta2 !$, !$ \theta3 !$: fluxo magnético no núcleo ferromagnético.

Com base nas informações acima, assinale a afirmativa correta.