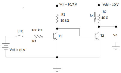
O Transistor bipolar é um dispositivo eletrônico que pode ser utilizado em diversas aplicações, tais como: amplificadores, circuitos de chaves ou como circuito de controle. No arranjo mostrado na figura abaixo, considere que os dois transistores são iguais e que a tensão base-emissor de condução é VBE = 0,7 V , que o valor da tensão base-emissor do transistor saturado é !$ VCE_{Sat} = 0 V !$ e que o ganho de corrente contínua é !$ \beta = 100 !$.

Qual é o valor da tensão !$ V_0 !$ e da corrente !$ I_0 !$, quando a chave CH1 estiver nas seguintes condições: 1 - aberta e 2 - fechada?