Observe a figura.

Quando a tensão de entrada V0= -5V, os valores das tensões V1 e V2 no circuito mostrado acima são, respectivamente,
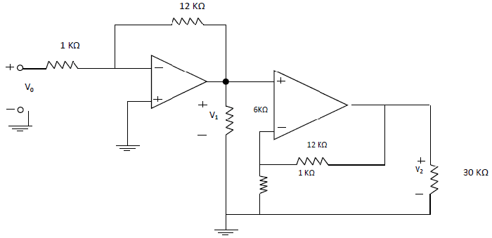
Observe a figura.

Quando a tensão de entrada V0= -5V, os valores das tensões V1 e V2 no circuito mostrado acima são, respectivamente,