- Transformadores e Máquinas ElétricasPrincípios BásicosControle Eletrônico de Máquinas Elétricas
- Transformadores e Máquinas ElétricasMáquinas AssíncronasPartida e Controle de velocidade

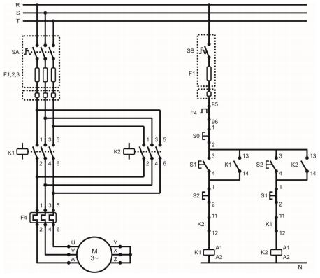
Os esquemas dos circuitos de força e comando para partida e operação de um motor de indução trifásico são ilustrados na figura acima. Com base nos diagramas ilustrados, assinale a alternativa que apresenta a descrição correta do esquema utilizado.