
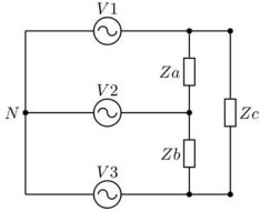
Com relação ao circuito trifásico mostrado na figura acima, julgue o item.
Em um sistema trifásico balanceado, a medição das tensões de linha sempre será maior que a medição das tensões de fase.
Provas
Questão presente nas seguintes provas
Analista de Fiscalização - Engenharia Elétrica
120 Questões