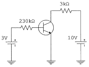
Observe a figura a seguir.

No circuito da figura acima, considere a tensão entre base e emissor para o transistor tipo NPN igual a 0,7V e seu ganho de corrente é igual a 100. Assinale a opção que corresponde, respectivamente, às correntes de base (IB ) e de coletor (Ic).
Provas
Questão presente nas seguintes provas