Para responder à questão , analise a figura 4 abaixo.

Na figura 4, está representado o diagrama de força de uma chave estrela-triângulo. A sequência de operação da chave para colocar o motor em marcha é:
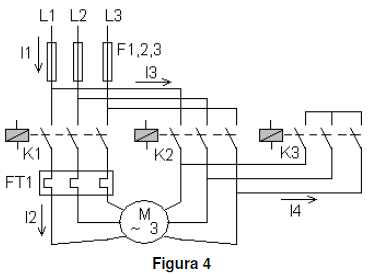
Para responder à questão , analise a figura 4 abaixo.

Na figura 4, está representado o diagrama de força de uma chave estrela-triângulo. A sequência de operação da chave para colocar o motor em marcha é: