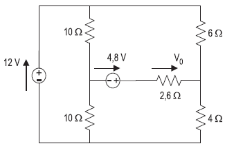
No circuito resistivo representado na figura, todos os elementos são ideais.

Qual é o valor, em volts, da tensão V0 sobre o resistor de 2,6 !$ \Omega !$?
Provas
Questão presente nas seguintes provas
No circuito resistivo representado na figura, todos os elementos são ideais.

Qual é o valor, em volts, da tensão V0 sobre o resistor de 2,6 !$ \Omega !$?