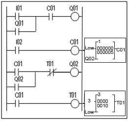
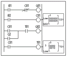
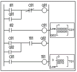
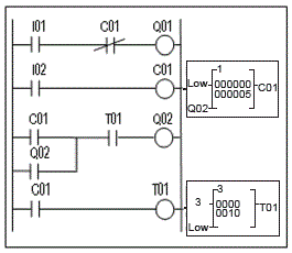
Considere apenas as etapas descritas abaixo (linguagem Ladder):
O operador pressiona o botão B1 e o motor da esteira é energizado e começa a transportar os blocos sólidos em fila indiana conforme desenho. No final da esteira o bloco sólido cai por gravidade no tanque, durante a queda o bloco é detectado pela chave fim de curso. Quando passar (cair) o quinto bloco no tanque, a esteira é parada e a válvula “VA” é aberta por dez (10) segundos, após esse tempo à válvula “VA” é fechada. Para repetir o processo o operador precisa acionar o botão B1 novamente.
O Botão B1 é do tipo push-button (não retentivo) conectado em I1 do CLP.
A chave fim de curso Normalmente Aberta é conectada em I2 do CLP.
O motor M1 da esteira é conectado em Q1
Válvula “A” Normalmente fechada (quando energizada abre) conectada em Q2 do CLP.

Escolha o programa em linguagem ladder que realiza a tarefa descrita.