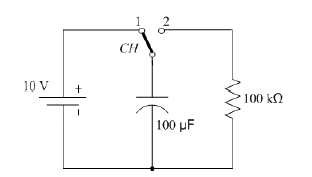
No circuito da figura a seguir, a chave CH está,
inicialmente, na posição 1 e o capacitor, carregado.

Se, no instante zero, a chave CH é comutada da posição 1 para a posição 2, então a corrente do circuito decai a cerca de

Se, no instante zero, a chave CH é comutada da posição 1 para a posição 2, então a corrente do circuito decai a cerca de