Magna Concursos
Questões
Planos
Entrar
Entrar
Criar Conta
Respondida
474250
Ano:
2014
Disciplina:
Segurança Privada e Transportes
Banca:
FADESP
Orgão:
CDSA
Provas:
Operador de Equipamento
Provas
×
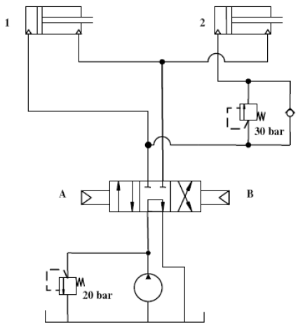
No sistema hidráulico abaixo, pilotando o lado A da válvula direcional, pode-se afirmar que o(os)
A
cilindro 1 avança primeiro que o cilindro 2.
B
cilindro 2 avança primeiro que o cilindro 1.
C
dois cilindros avançam juntos.
D
cilindro 1 avança e o cilindro 2 fica parado.
Resolver
Comentários
0
×
Cadernos
×
Flashcards
×
Estatísticas
×
Reportar um erro
×
Provas
Questão presente nas seguintes provas
Operador de Equipamento
50 Questões
Resolver Prova
Publicar
Responder
Qual o problema da questão?
Selecione uma opção
Questão Desatualizada
Questão Repetida
Gabarito Errado
Outros Motivos
Mensagem
Enviar
Acessar
Criar Conta
Acesse sua Conta
Google
Facebook
Esqueci minha senha
Acessar
Ainda não tem conta?
Crie uma
!
Crie uma Conta
Criar Conta
Olá, para continuar, precisamos criar uma conta!
É
rápido
e
grátis
.
Google
Facebook
Concordo com os
Termos de Uso
Criar
Já tem uma conta?
Acesse aqui