- Sistemas FluidomecânicosMáquinas de Fluxo
- Sistemas FluidomecânicosSistemas Hidráulicos e Pneumáticos
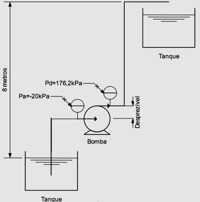
O sistema de bombeamento abaixo opera com água (!$ \gamma !$=10000kg/m3), considerando que o diâmetro de sucção e recalque sejam iguais e a perda de carga desprezível, assinale a alternativa que indica a altura manométrica que a bomba deverá vencer:
