Magna Concursos
3088302 Ano: 2009
Disciplina: Engenharia Mecânica
Banca: CESGRANRIO
Orgão: CMB

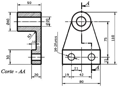
Enunciado 3369905-1

A quantidade de furos e os valores de seus diâmetros, em mm, da peça representada acima são, respectivamente,

 

Provas

Questão presente nas seguintes provas

Técnico - Máquina Ferramenta

30 Questões