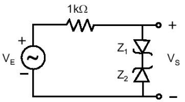
A figura ilustra um circuito alimentado por uma fonte de tensão senoidal da forma VE(t)=20sen(t) , onde Z1 e Z2 são diodos do tipo zener de tensões, respectivamente, 16 V e 10 V. O sinal de saída VS(t) deverá ter, aproximadamente, a forma:

Provas
Questão presente nas seguintes provas