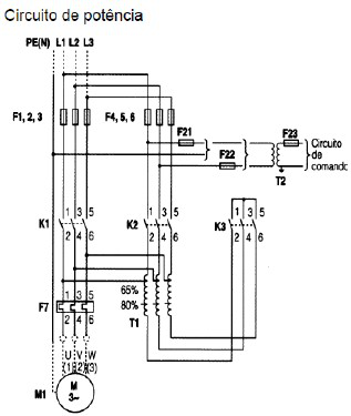
Analise as proposições abaixo referentes à chave compensadora automática representada no diagrama abaixo:

I. No TAP de 65%, obtemos uma redução da corrente de partida de 42%.
II. No TAP de 80%, o conjugado de partida é reduzido aproximadamente a 1/3 do conjugado de partida direta.
III. O contator K3 deve ser dimensionado para uma corrente igual a 23% da nominal do motor.
IV. O contator K2 deve ser dimensionado pela relação (k – k2) In.
Pode-se considerar que: