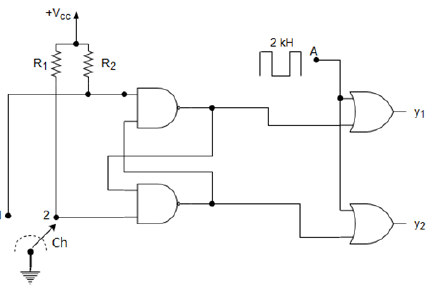
O circuito apresentado na figura abaixo é formado por duas portas lógicas NAND e duas portas lógicas OR, ligadas conforme a figura. Na entrada é inserida uma onda quadrada de !$ 2 KH !$ A chave !$ Ch !$ pode ser colocada ou na posição (1) ou na posição (2). Escolha a alternativa correta:

Provas
Questão presente nas seguintes provas
Técnico de Laboratório - Física e Eletrotécnica
50 Questões