Magna Concursos
85625 Ano: 2008
Disciplina: Engenharia Eletrônica
Banca: CESGRANRIO
Orgão: Petrobrás

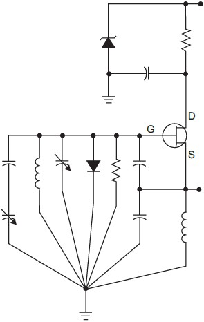
Enunciado 85625-1

No circuito de RF ilustrado na figura acima, três dos tipos de componentes eletrônicos que estão presentes são:

 

Provas

Questão presente nas seguintes provas

Técnico de Manutenção - Eletrônica

50 Questões