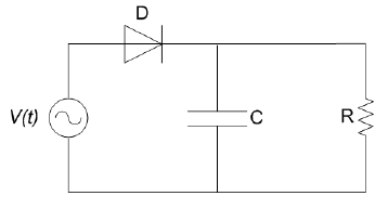
A figura abaixa apresenta um retificador de pico, com constante de tempo Tc = RC. Sabe-se que o sinal retificado apresenta uma oscilação. Pode-se afirmar que esta oscilação

A figura abaixa apresenta um retificador de pico, com constante de tempo Tc = RC. Sabe-se que o sinal retificado apresenta uma oscilação. Pode-se afirmar que esta oscilação
