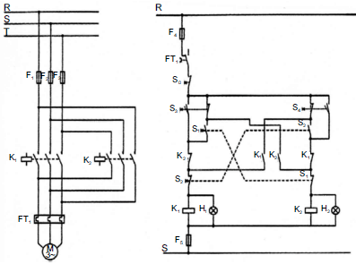
Considere a figura a seguir, referente a um circuito de força e de controle de um motor de indução trifásico.

C. M Franchi. Acionamentos Elétricos. Érica, 2.ª Ed., p. 222.
A partir das informações acima, julgue o item que se segue.
No caso de o fusível F4 queimar, se o motor estiver em movimento ele irá parar.
Provas
Questão presente nas seguintes provas